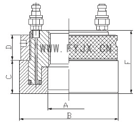
液压螺母工作原理
液压螺母是一种先进的螺栓装配方法,特别适用于狭窄空间和重负荷震动机械紧固,液压螺母的工作原理是利用液压油缸直接对螺栓施加外力,使被施加力的螺栓在其弹性变形区内被轴向拉长,螺栓拉长后旋紧液压螺母上的锁圈,利用材料自身的弹性将螺纹锁紧。
普通螺纹的锁紧是靠转动扳手产生扭矩利用螺纹间的摩擦力来锁紧。对于大直径螺纹连接,受人力,工具和作业空间等影响,其预紧力根本达不到设计要求,因此在振动场合很容易松动。液压螺母具有极高的预紧能力和独有的可以多组螺栓同步紧固实现相同预紧力的显著特点,从而逐步应用于经常拆装或轴向顶紧各种场合的螺栓连接、预紧及防松要求,并可作为液压过盈配合联结拆装工具。
PA网址 液压螺母的结构根据不同的使用分厚型和薄型、高压和超高压、顶环锁紧和底环锁紧。液压螺母主要由油缸、活塞和锁圈组成,接油口有顶置和侧入设计。
PA网址 公司依靠三十多年从事大型螺栓工程的经验,为多家著名企业设计制造各种规格的液压螺母,获得极高的评价。如果标准型号的液压螺母不能满足使用要求,PA网址 提供特殊的专业定做服务,为了准确反映螺栓的工况,敬请填写我们提供的螺栓数据调查表。
液压螺母特点:
- 拉伸方式不受螺栓润滑效果和螺纹摩擦大小的影响,可以得到更为精确的螺栓载荷;
- 可对多个螺栓进行同步拉伸,使整圈螺栓受力均匀,得到均衡的载荷;
- 由于采用成熟的超高压技术,可以在很小的空间内完成螺栓的锁紧;
- 拉伸方式对螺栓进行紧固得到的剩余载荷和有效载荷要比力矩方式更大;
- 拉伸方式更适用于紧固精度要求较高的接合应用,它能使连接面受力均匀地实现接合,真正地防止泄漏。
液压螺母应用场合:
- 油田:油田防喷器,采油树;
- 矿山:采煤机,掘进机,斗轮机,超重型车辆;
- 电厂:高压给水泵,压缩机,岩石磨,汽轮机,靠背轮;
- 石化:反应釜,高压给水泵,压缩机,岩石磨,烟汽轮机;
- 船舶:柴油机,主轴系,靠背轮;
- 钢铁:轧机,水压机,钢坯剪,靠背轮。
FY-LMA型液压螺母
主要参数
- 最大拉伸力
- 3864KN
- 最大行程
- 20mm
- 螺栓直径
- M27~125mm
FY-LMA型液压螺母特点:
- 适用于各种震动、快速转动、大力量设备和狭窄空间;
- 经济高效、重量轻、精度高;
- 可配手动泵、气动液压泵和电动液压泵;
- 多个液压螺母可同时使用;
- 标准工作压力150Mpa。
FY-LMA型液压螺母技术参数:

| 型号 | 螺纹规格 | 最大拉伸力 | 油压面积 | 外径 | 螺母厚度 | 行程 | |||
| 厚型 | 薄型 | ||||||||
| 厚型液压螺母 | 薄型液压螺母 | M | in | KN | mm2 | mm | mm | mm | mm |
| FY-LMA1027 | FY-LMA2027 | 27 | 1-1/8 | 226 | 1571 | 75 | 66 | 53 | 6 |
| FY-LMA1030 | FY-LMA2030 | 30 | 1-1/8 | 226 | 1571 | 75 | 66 | 53 | 6 |
| FY-LMA1033 | FY-LMA2033 | 33 | 1-1/4 | 268 | 1571 | 83 | 66 | 53 | 6 |
| FY-LMA1036 | FY-LMA2036 | 36 | 1-3/8 | 333 | 2534 | 90 | 66 | 53 | 8 |
| FY-LMA1039 | FY-LMA2039 | 39 | 1-1/2 | 373 | 2534 | 95 | 66 | 53 | 8 |
| FY-LMA1042 | FY-LMA2042 | 42 | 1-5/8 | 428 | 3195 | 101 | 74 | 58 | 8 |
| FY-LMA1045 | FY-LMA2045 | 45 | 1-3/4 | 447 | 3195 | 105 | 74 | 58 | 8 |
| FY-LMA1048 | FY-LMA2048 | 48 | 1-7/8 | 521 | 3195 | 113 | 74 | 58 | 8 |
| FY-LMA1052 | FY-LMA2052 | 52 | 2 | 624 | 3195 | 122 | 74 | 58 | 10 |
| FY-LMA1056 | FY-LMA2056 | 56 | 2-1/4 | 787 | 4006 | 136 | 78 | 63 | 10 |
| FY-LMA1064 | FY-LMA2064 | 64 | 2-1/2 | 931 | 4477 | 150 | 84 | 69 | 10 |
| FY-LMA1068 | FY-LMA2068 | 68 | 2-3/4 | 1046 | 5635 | 160 | 84 | 69 | 10 |
| FY-LMA1072 | FY-LMA2072 | 72 | 2-1/2 | 1256 | 7540 | 170 | 92 | 80 | 15 |
| FY-LMA1080 | FY-LMA2080 | 80 | 3-1/4 | 1667 | 7540 | 192 | 112 | 97 | 15 |
| FY-LMA1090 | FY-LMA2090 | 90 | 3-1/2 | 2022 | 10603 | 210 | 112 | 97 | 15 |
| FY-LMA1095 | FY-LMA2095 | 95 | 3-3/4 | 2177 | 10603 | 220 | 122 | 102 | 15 |
| FY-LMA1100 | FY-LMA2100 | 100 | 4 | 2488 | 15080 | 235 | 137 | 117 | 20 |
| FY-LMA1110 | FY-LMA2110 | 110 | 4-3/8 | 2864 | 16022 | 255 | 137 | 117 | 20 |
| FY-LMA1125 | FY-LMA2125 | 125 | 5 | 3864 | 16965 | 290 | 143 | 128 | 20 |
FY-LMA型液压螺母应用场合:
FY-LMA型液压螺母现场应用
FY-LMB型液压螺母
主要参数
- 最大拉伸力
- 14103KN
- 最大行程
- 20mm
- 螺纹规格
- M22~200mm
FY-LMB型液压螺母特点:
- 适用于各种震动、快速转动、大力量设备和狭窄空间;
- 经济高效、重量轻、精度高;
- 可配手动泵、气动液压泵、电动液压泵;
- 多个液压螺母可同时使用;
- 标准工作压力220Mpa;
FY-LMB型液压螺母技术参数:
| 型号 | 纹螺规格 | 最大拉伸力 | 油压面积 | 外径 | 螺母厚度 | 行程 | |||||
| 厚型 | 薄型 | ||||||||||
| 顶环厚型液压螺母 | 顶环薄型液压螺母 | 底环厚型液压螺母 | 底环薄型液压螺母 | M | Inch | KN | mm2 | mm | mm | mm | mm |
| FY-LMB1022 | FY-LMB2022 | FY-LMB3022 | FY-LMB4022 | 22 | 7/8 | 282 | 1280 | 57 | 57 | 45 | 4 |
| FY-LMB1024 | FY-LMB2024 | FY-LMB3024 | FY-LMB4024 | 24 | 1 | 282 | 1280 | 59 | 59 | 45 | 4 |
| FY-LMB1027 | FY-LMB2027 | FY-LMB3027 | FY-LMB4027 | 27 | 1-1/8 | 317 | 1441 | 63 | 63 | 48 | 4 |
| FY-LMB1030 | FY-LMB2030 | FY-LMB3030 | FY-LMB4030 | 30 | 1-1/8 | 317 | 1441 | 70 | 70 | 50 | 4 |
| FY-LMB1033 | FY-LMB2033 | FY-LMB3033 | FY-LMB4033 | 33 | 1-1/4 | 317 | 1441 | 74 | 74 | 50 | 4 |
| FY-LMB1036 | FY-LMB2036 | FY-LMB3036 | FY-LMB4036 | 36 | 1-3/8 | 364 | 1656 | 80 | 80 | 55 | 5 |
| FY-LMB1039 | FY-LMB2039 | FY-LMB3039 | FY-LMB4039 | 39 | 1-1/2 | 439 | 1995 | 87 | 87 | 58 | 5 |
| FY-LMB1042 | FY-LMB2042 | FY-LMB3042 | FY-LMB4042 | 42 | 1-5/8 | 494 | 2245 | 94 | 94 | 60 | 6 |
| FY-LMB1045 | FY-LMB2045 | FY-LMB3045 | FY-LMB4045 | 45 | 1-3/4 | 600 | 2728 | 101 | 101 | 62 | 6 |
| FY-LMB1048 | FY-LMB2048 | FY-LMB3048 | FY-LMB4048 | 48 | 1-7/8 | 665 | 3021 | 107 | 107 | 62 | 6 |
| FY-LMB1052 | FY-LMB2052 | FY-LMB3052 | FY-LMB4052 | 52 | 2 | 806 | 3665 | 117 | 117 | 67 | 8 |
| FY-LMB1056 | FY-LMB2056 | FY-LMB3056 | FY-LMB4056 | 56 | 2-1/4 | 962 | 4371 | 128 | 128 | 67 | 8 |
| FY-LMB1060 | FY-LMB2060 | FY-LMB3060 | FY-LMB4060 | 60 | 2-3/8 | 1066 | 4844 | 135 | 135 | 80 | 8 |
| FY-LMB1064 | FY-LMB2064 | FY-LMB3064 | FY-LMB4064 | 64 | 2-1/2 | 1203 | 5468 | 144 | 144 | 80 | 10 |
| FY-LMB1068 | FY-LMB2068 | FY-LMB3068 | FY-LMB4068 | 68 | 2-3/4 | 1478 | 6720 | 157 | 157 | 85 | 10 |
| FY-LMB1072 | FY-LMB2072 | FY-LMB3072 | FY-LMB4072 | 72 | 2-1/2 | 1547 | 7034 | 163 | 163 | 85 | 10 |
| FY-LMB1075 | FY-LMB2075 | FY-LMB3075 | FY-LMB4075 | 75 | 2-3/4 | 1760 | 8000 | 173 | 173 | 95 | 10 |
| FY-LMB1080 | FY-LMB2080 | FY-LMB3080 | FY-LMB4080 | 80 | 3-1/4 | 2141 | 9752 | 187 | 187 | 95 | 10 |
| FY-LMB1085 | FY-LMB2085 | FY-LMB3085 | FY-LMB1085 | 85 | 3-3/8 | 2243 | 10193 | 195 | 195 | 100 | 10 |
| FY-LMB1090 | FY-LMB2090 | FY-LMB3090 | FY-LMB4090 | 90 | 3-1/2 | 2532 | 11511 | 207 | 207 | 110 | 10 |
| FY-LMB1095 | FY-LMB2095 | FY-LMB3095 | FY-LMB4095 | 95 | 3-3/4 | 2882 | 13100 | 219 | 219 | 120 | 10 |
| FY-LMB1100 | FY-LMB2100 | FY-LMB3100 | FY-LMB4100 | 100 | 4 | 3274 | 14884 | 234 | 234 | 120 | 10 |
| FY-LMB1105 | FY-LMB2105 | FY-LMB3105 | FY-LMB4105 | 105 | 4-1/8 | 3533 | 16061 | 243 | 243 | 125 | 15 |
| FY-LMB1110 | FY-LMB2110 | FY-LMB3110 | FY-LMB1110 | 110 | 4-3/8 | 3944 | 17926 | 255 | 255 | 125 | 15 |
| FY-LMB1115 | FY-LMB2115 | FY-LMB3115 | FY-LMB4115 | 115 | 4-1/2 | 4251 | 19324 | 267 | 267 | 145 | 15 |
| FY-LMB1120 | FY-LMB2120 | FY-LMB3120 | FY-LMB4120 | 120 | 4-3/4 | 4700 | 21365 | 279 | 279 | 145 | 15 |
| FY-LMB1125 | FY-LMB2125 | FY-LMB3125 | FY-LMB4125 | 125 | 5 | 5334 | 24247 | 295 | 295 | 152 | 15 |
| FY-LMB1130 | FY-LMB2130 | FY-LMB3130 | FY-LMB4130 | 130 | 5-1/8 | 5523 | 26104 | 303 | 303 | 155 | 15 |
| FY-LMB1140 | FY-LMB2140 | FY-LMB3140 | FY-LMB4140 | 140 | 5-1/2 | 6412 | 29145 | 328 | 328 | 170 | 15 |
| FY-LMB1150 | FY-LMB2150 | FY-LMB3150 | FY-LMB4150 | 150 | 6 | 7727 | 35124 | 356 | 356 | 185 | 15 |
| FY-LMB1160 | FY-LMB2160 | FY-LMB3160 | FY-LMB4160 | 160 | 6-1/4 | 8564 | 36927 | 376 | 376 | 200 | 15 |
| FY-LMB1170 | FY-LMB2170 | FY-LMB3170 | FY-LMB4170 | 170 | 6-1/2 | 9663 | 43922 | 400 | 400 | 208 | 15 |
| FY-LMB1180 | FY-LMB2180 | FY-LMB3180 | FY-LMB4180 | 180 | 7 | 10946 | 49754 | 424 | 424 | 215 | 20 |
| FY-LMB1190 | FY-LMB2190 | FY-LMB3190 | FY-LMB4190 | 190 | 7-1/2 | 12268 | 55763 | 450 | 450 | 230 | 20 |
| FY-LMB1200 | FY-LMB2200 | FY-LMB3200 | FY-LMB4200 | 200 | 8 | 14103 | 64106 | 480 | 480 | 240 | 20 |
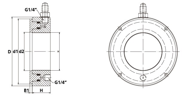
FY-LN型液压螺母
FY-LN型液压螺母主要用于锥形轮毂或轴承与锥形轴过盈配合的压装及拆卸,如船舶螺旋桨与螺旋桨锥形轴的联接。到今天为止,该技术被认为是压装及拆卸大型锥形轮毂或轴承简单、有效的方法。而这种技术也被称为液压无键联接技术。
FY-LN型液压螺母工作原理:
螺旋桨锥孔与轴均有着相同的接合锥度。锥形轴内事先设计好油路,安装时,高压液压油通过锥形轴油路,被输送到螺旋桨锥孔与 轴的锥形接触面之间,高压液压使螺旋桨锥孔在材料弹性变形范围内,内径扩大。接着对液压螺母打压,借助于液压螺母活塞的轴向推力,使螺旋桨沿着锥形轴表面定量移动,直到螺旋桨被推移到规定位置后,拧紧液压螺母。此时因过盈配合而产生巨大接触摩擦力,螺旋桨与轴便可靠地联接在一起。整个压装过程中,因螺旋桨锥孔和轴的锥形接触面之间存在高压油膜,螺旋桨和 轴接触面不会被磨损。
液压螺母可使用手动、气动、电动泵。而配合先进的工业级全自动液压压装机,能令液压螺母的安装及拆卸更简单及方便,令整个安装过程的个各项参数均处于可控制的状态,达到更高的精度。
FY-LN型液压螺母优点:
- 因为使用可控制的液压技术,因而在安装或拆卸时能提供更精确的控制;
- 大大节省安装时间与人力,也能增加安装人员的安全性;
- 密封技术,液压螺母在-30℃至100℃间无泄露;
- 能产生强大的轴向力锁紧轴承或轮毂,不会产生扭曲应力,不会磨损锥形轴螺纹;
- 拆卸时,因为高压油膜的存在,不会造成轮毂与轴的磨损,有利于再次重复使用;
- 轴系的设计及制造变得更简单,大幅降低制造成本;
- 有轴向和径向注油两种方式;
- 标准工作压力100Mpa;
- 根据客户的需求,我们可提供特殊规格的定制服务。
FY-LN型液压螺母应用场合:
- 圆锥轴承或圆柱轴承;
- 带锥度的轴-轮毂;
- 联轴器;
- 传动机构齿轮;
- 铁路轮轨;
- 船用螺旋桨;
- 船用引擎曲轴。
FY-LN型液压螺母技术参数:

| 型号 | 螺栓规格 | A(mm) | B(mm) | C(mm) | D(mm) | E(mm) | 行程(mm) | 面积mm2 |
| FY-LN050 | M50×1.5 | 50.5 | 104 | 114 | 38 | 4 | 5 | 2900 |
| FY-LN055 | M55×2 | 55.5 | 109 | 120 | 38 | 4 | 5 | 3150 |
| FY-LN060 | M60×2 | 60.5 | 115 | 125 | 38 | 5 | 5 | 3300 |
| FY-LN065 | M65×2 | 65.5 | 121 | 130 | 38 | 5 | 5 | 3600 |
| FY-LN070 | M70×2 | 70.5 | 127 | 135 | 38 | 5 | 5 | 3800 |
| FY-LN075 | M75×2 | 75.5 | 132 | 140 | 38 | 5 | 5 | 4000 |
| FY-LN080 | M80×2 | 80.5 | 137 | 146 | 38 | 5 | 5 | 4200 |
| FY-LN085 | M85×2 | 85.5 | 142 | 150 | 38 | 5 | 5 | 4400 |
| FY-LN090 | M90×2 | 90.5 | 147 | 156 | 38 | 5 | 5 | 4700 |
| FY-LN095 | M95×2 | 95.5 | 153 | 162 | 38 | 5 | 5 | 4900 |
| FY-LN100 | M100×2 | 100.5 | 158 | 166 | 38 | 6 | 5 | 5100 |
| FY-LN105 | M105×2 | 105.5 | 163 | 172 | 38 | 6 | 5 | 5300 |
| FY-LN110 | M110×2 | 110.5 | 169 | 178 | 38 | 6 | 5 | 5600 |
| FY-LN115 | M115×2 | 115.5 | 174 | 182 | 38 | 6 | 5 | 5800 |
| FY-LN120 | M120×2 | 120.5 | 179 | 188 | 38 | 6 | 5 | 6000 |
| FY-LN125 | M125×2 | 125.5 | 184 | 192 | 38 | 6 | 5 | 6200 |
| FY-LN130 | M130×2 | 130.5 | 190 | 198 | 38 | 6 | 5 | 6400 |
| FY-LN135 | M135×2 | 135.5 | 195 | 204 | 38 | 6 | 5 | 6600 |
| FY-LN140 | M140×2 | 140.5 | 200 | 208 | 38 | 7 | 5 | 6800 |
| FY-LN145 | M145×2 | 145.5 | 206 | 214 | 39 | 7 | 5 | 7300 |
| FY-LN150 | M150×2 | 150.5 | 211 | 220 | 39 | 7 | 5 | 7500 |
| FY-LN155 | M155×3 | 155.5 | 218 | 226 | 39 | 7 | 5 | 8100 |
| FY-LN160 | M160×3 | 160.5 | 224 | 232 | 40 | 7 | 6 | 8600 |
| FY-LN165 | M165×3 | 165.5 | 229 | 238 | 40 | 7 | 6 | 8900 |
| FY-LN170 | M170×3 | 170.5 | 235 | 244 | 41 | 7 | 6 | 9400 |
| FY-LN180 | M180×3 | 180.5 | 247 | 256 | 41 | 7 | 6 | 10300 |
| FY-LN1190 | M190×3 | 191 | 259 | 270 | 42 | 8 | 7 | 11500 |
| FY-LN200 | M200×3 | 201 | 271 | 282 | 43 | 8 | 8 | 12500 |
| FY-LN205 | Tr205×4 | 207 | 276 | 288 | 43 | 8 | 8 | 12800 |
| FY-LN210 | Tr210×4 | 212 | 282 | 294 | 44 | 8 | 9 | 13400 |
| FY-LN215 | Tr215×4 | 217 | 287 | 300 | 44 | 8 | 9 | 13700 |
| FY-LN220 | Tr220×4 | 222 | 293 | 306 | 44 | 8 | 9 | 14400 |
| FY-LN225 | Tr225×4 | 227 | 300 | 312 | 45 | 8 | 9 | 15200 |
| FY-LN230 | Tr230×4 | 232 | 305 | 318 | 45 | 8 | 9 | 15500 |
| FY-LN235 | Tr235×4 | 237 | 311 | 326 | 46 | 8 | 10 | 16200 |
| FY-LN240 | Tr240×4 | 242 | 316 | 330 | 46 | 9 | 10 | 16500 |
| FY-LN250 | Tr250×4 | 252 | 329 | 342 | 46 | 9 | 10 | 17600 |
| FY-LN260 | Tr260×4 | 262 | 341 | 356 | 47 | 9 | 11 | 18800 |
| FY-LN270 | Tr270×4 | 272 | 352 | 368 | 48 | 9 | 12 | 19800 |
| FY-LN280 | Tr280×4 | 282 | 363 | 380 | 49 | 9 | 12 | 21100 |
| FY-LN290 | Tr290×4 | 292 | 375 | 390 | 49 | 9 | 13 | 22400 |
| FY-LN300 | Tr300×4 | 302 | 386 | 404 | 51 | 10 | 14 | 23600 |
| FY-LN310 | Tr310×4 | 312 | 397 | 416 | 52 | 10 | 14 | 24900 |
| FY-LN320 | Tr320×4 | 322 | 409 | 428 | 53 | 10 | 14 | 26300 |
| FY-LN330 | Tr330×4 | 332 | 419 | 438 | 53 | 10 | 14 | 27000 |
| FY-LN340 | Tr340×4 | 342 | 430 | 450 | 54 | 10 | 14 | 28400 |
| FY-LN345 | Tr345×4 | 347 | 436 | 456 | 54 | 10 | 14 | 29400 |
| FY-LN350 | Tr350×4 | 352 | 442 | 464 | 56 | 10 | 14 | 29900 |
| FY-LN360 | Tr360×4 | 362 | 455 | 472 | 56 | 10 | 15 | 31300 |
| FY-LN360 | Tr365×4 | 367 | 460 | 482 | 57 | 11 | 15 | 31700 |
| FY-LN370 | Tr370×4 | 372 | 466 | 486 | 57 | 11 | 16 | 32800 |
| FY-LN380 | Tr380×4 | 382 | 476 | 498 | 58 | 11 | 16 | 33500 |
| FY-LN385 | Tr385×4 | 387 | 483 | 504 | 58 | 11 | 16 | 34700 |
| FY-LN400 | Tr400×4 | 402 | 499 | 522 | 60 | 11 | 17 | 36700 |
| FY-LN410 | Tr410×4 | 412 | 510 | 534 | 61 | 11 | 17 | 38300 |
| FY-LN420 | Tr420×4 | 422 | 522 | 546 | 61 | 11 | 17 | 40000 |
| FY-LN430 | Tr430×4 | 432 | 532 | 556 | 62 | 11 | 17 | 40800 |
| FY-LN440 | Tr440×4 | 442 | 543 | 566 | 62 | 12 | 17 | 42500 |
| FY-LN450 | Tr450×4 | 452 | 554 | 580 | 64 | 12 | 17 | 44100 |
| FY-LN460 | Tr460×4 | 462 | 565 | 590 | 64 | 12 | 17 | 45100 |
| FY-LN470 | Tr470×4 | 472 | 576 | 602 | 65 | 12 | 18 | 46900 |
| FY-LN480 | Tr480×4 | 482 | 587 | 612 | 65 | 12 | 19 | 48600 |
| FY-LN490 | Tr490×4 | 492 | 597 | 624 | 66 | 12 | 19 | 49500 |
| FY-LN500 | Tr500×4 | 502 | 609 | 636 | 67 | 12 | 19 | 51500 |
FY-LN型液压螺母应用场合:
FY-LN型液压螺母用于船桨安装
FY-LP型液压螺母
FY-LP型液压螺母主要用于夹紧工具,其工作原理是利用油压推动活塞产生一个夹紧力,不需要外接液压泵。
主要参数
- 最大拉伸力
- 199.8KN
- 螺栓直径
- M30~180mm
- 最大行程
- 2mm
FY-LP型液压螺母特点:
- 使用特定扳手、可靠、操作简便;
- 有轴向和径向执行机构;
- 压力均匀分布于压环;
- 不会在轴向压力产生变形;
- 使用少量的油脂达到好效果。
FY-LP型液压螺母使用范围:
- 金属剪切机(开卷分条线上)用刀具紧固夹具;
- 成形加工用紧固夹具;
- 其他轴用工器具紧固夹具;
FY-LP型液压螺母技术参数:
| 型号 | 螺纹规格 | 最大顶力(KN) | 外径(mm) | 高度(mm) | 压环直径(mm) | 行程(mm) | |
| M | in | ||||||
| FY-LP030 | 30 | 1-1/8 | 72.0 | 75 | 30 | 52/44 | 2 |
| FY-LP042 | 42 | 1-5/8 | 89.3 | 92 | 35 | 65/55 | 2 |
| FY-LP052 | 52 | 2 | 139.7 | 107 | 35 | 84/72 | 2 |
| FY-LP068 | 68 | 2-3/4 | 129.2 | 118 | 35 | 92/82 | 2 |
| FY-LP080 | 80 | 3-1/4 | 155.8 | 129 | 35 | 110/100 | 2 |
| FY-LP100 | 100 | 4 | 165.6 | 160 | 40 | 125/110 | 2 |
| FY-LP120 | 120 | 4-3/4 | 150.8 | 185 | 45 | 150/135 | 2 |
| FY-LP140 | 140 | 5-1/2 | 233.1 | 205 | 50 | 175/155 | 2 |
| FY-LP160 | 160 | 6-1/4 | 180.0 | 230 | 50 | 200/180 | 2 |
| FY-LP180 | 180 | 7 | 199.8 | 245 | 50 | 222/202 | 2 |
FY-M液压螺母
常用于轴承、飞轮、螺旋桨等工件压装的液压工具。具有产生的顶推力平稳,无冲击,压装过程中不伤及工件等特性。通过液压螺母的内圈螺纹,其可被安装在轴类部件上,活塞在700bar液压压力的作用下顶出推动工件至安装位置。
FY-M液压螺母特点:
- 工作压力:700 bar;
- 采用轴向和径向注油两种方式,无使用空间限制;
- 可根据用户要求,选配电动、气动、手动液压泵作及为动力源。
圆锥孔滚子轴承安装步骤:
| 液压螺母安装在轴颈,推力作用于轴承内圈。轴承被推动前进。 | 液压螺母安装在轴颈,液压推力作用于锥形轴套。轴套另一端由定距环止挡。随着锥形轴套的推入,轴承被固定到位。 | 液压螺母安装在锥形轴套上,打压后,液压推力作用于轴承内圈。轴承被推动前进。 |
FY-M液压螺母技术参数:

| 型号 | 螺纹 M | 外径 D | 止口 d1 | 止口 d2 | 高度 H | B1 | 行程 | 工作面积 mm2 | 重量 Kg |
| FY-M50 | M50x1.5 | 114 | 50.5 | 104 | 38 | 4 | 5 | 3376 | 2.7 |
| FY-M60 | M60x2 | 125 | 60.5 | 115 | 38 | 5 | 5 | 4239 | 2.8 |
| FY-M70 | M70x2 | 135 | 70.5 | 127 | 38 | 5 | 5 | 4710 | 3.2 |
| FY-M80 | M80x2 | 146 | 80.5 | 137 | 38 | 5 | 5 | 5181 | 3.7 |
| FY-M90 | M90x2 | 156 | 90.5 | 147 | 38 | 5 | 5 | 5652 | 4 |
| FY-M100 | M100x2 | 166 | 100.5 | 158 | 38 | 6 | 5 | 5987 | 4.4 |
| FY-M110 | M110x2 | 178 | 110.5 | 169 | 38 | 6 | 5 | 6286 | 4.95 |
| FY-M120 | M120x2 | 188 | 120.5 | 179 | 38 | 6 | 5 | 8568 | 5.25 |
| FY-M130 | M130x2 | 198 | 130.5 | 190 | 38 | 6 | 5 | 7165 | 5.65 |
| FY-M140 | M140x2 | 208 | 140.5 | 200 | 39 | 7 | 5 | 7605 | 6 |
| FY-M150 | M150x2 | 220 | 150.5 | 211 | 39 | 7 | 6 | 7736 | 6.6 |
| FY-M160 | M160x3 | 232 | 160.5 | 224 | 40 | 7 | 6 | 8002 | 7.6 |
| FY-M170 | M170x3 | 244 | 170.5 | 235 | 41 | 7 | 6 | 8669 | 8.4 |
| FY-M190 | M190x3 | 270 | 191 | 259 | 42 | 8 | 8 | 9266 | 10.5 |
| FY-M200 | M200x3 | 282 | 201 | 271 | 43 | 8 | 8 | 8612 | 11.5 |
| FY-M210 | Tr210x4 | 294 | 212 | 282 | 44 | 8 | 9 | 11728 | 12.5 |
| FY-M220 | Tr220x4 | 306 | 222 | 293 | 44 | 8 | 9 | 11815 | 13.5 |
| FY-M230 | Tr230x4 | 318 | 232 | 305 | 45 | 8 | 9 | 12270 | 15 |
| FY-M250 | Tr250x4 | 342 | 252 | 329 | 46 | 9 | 10 | 13317 | 17 |
| FY-M280 | Tr280x4 | 380 | 282 | 363 | 49 | 9 | 12 | 14683 | 22 |
| FY-M300 | Tr300x4 | 404 | 302 | 386 | 51 | 10 | 13 | 15640 | 25 |
| FY-M400 | Tr400x4 | 522 | 402 | 499 | 60 | 11 | 17 | 20602 | 45.5 |
| FY-M500 | Tr500x4 | 636 | 502 | 609 | 67 | 12 | 19 | 24337 | 70 |
| FY-M600 | Tr600x4 | 748 | 602 | 721 | 73 | 13 | 23 | 28274 | 100 |
| FY-M710 | Tr710x4 | 870 | 712 | 840 | 78 | 15 | 25 | 30730 | 135 |
| FY-M800 | Tr800x4 | 965 | 802 | 936 | 80 | 16 | 25 | 31770 | 161 |
| FY-M900 | Tr900x4 | 1075 | 902 | 1043 | 86 | 17 | 30 | 32848 | 205 |
轴承拆装用液压螺母
我公司参照SKF-HMV标准生产的用于轴承安装、拆卸的SKF-TTLM液压螺母。
轴承拆装用液压螺母特点:
- 可产生强大的力,将轴承平缓的装入或拆下;
- 适用于各种螺纹标准的锥套、轴上轴承的安装和拆卸;
- 用高压手动泵向液压螺母注入液压油,活塞产生强大的推力,使轴承的安装和拆卸变得毫不费力并且准确和安全。
轴承拆装用液压螺母使用方法:
(一)轴承的安装(共分4种形式)
(二)轴承的拆卸(共分2种形式)
轴承拆装用液压螺母技术参数:

轴承拆装用液压螺母的规格为M50×1.5—M200×3 , Tr205×4—Tr500×5,详见下表。
| 型号 | 外型尺寸 | 活塞面积 | 重量 | |||||
| G | d1 | d2 | d3 | B | B1 | |||
| 螺 纹 | mm | mm | mm | mm | mm | mm2 | kg | |
| FY-SKF-TTLM10E | M50x1.5 | 50.5 | 104 | 114 | 38 | 4 | 2900 | 2.70 |
| FY-SKF-TTLM11E | M55x2 | 55.5 | 109 | 120 | 38 | 4 | 3150 | 2.75 |
| FY-SKF-TTLM12E | M60x2 | 60.5 | 115 | 125 | 38 | 5 | 3300 | 2.80 |
| FY-SKF-TTLM13E | M65x2 | 65.5 | 121 | 130 | 38 | 5 | 3600 | 3.00 |
| FY-SKF-TTLM14E | M70x2 | 70.5 | 127 | 135 | 38 | 5 | 3800 | 3.20 |
| FY-SKF-TTLM15E | M75x2 | 75.5 | 132 | 140 | 38 | 5 | 4000 | 3.40 |
| FY-SKF-TTLM16E | M80x2 | 80.5 | 137 | 146 | 38 | 5 | 4200 | 3.70 |
| FY-SKF-TTLM17E | M85x2 | 85.5 | 142 | 150 | 38 | 5 | 4400 | 3.75 |
| FY-SKF-TTLM18E | M90x2 | 90.5 | 147 | 156 | 38 | 5 | 4700 | 4.00 |
| FY-SKF-TTLM19E | M95x2 | 95.5 | 153 | 162 | 38 | 5 | 4900 | 4.30 |
| FY-SKF-TTLM20E | M100x2 | 100.5 | 158 | 166 | 38 | 6 | 5100 | 4.40 |
| FY-SKF-TTLM21E | M105x2 | 105.5 | 163 | 172 | 38 | 6 | 5300 | 4.65 |
| FY-SKF-TTLM22E | M110x2 | 110.5 | 169 | 178 | 38 | 6 | 5600 | 4.95 |
| FY-SKF-TTLM23E | M115x2 | 115.5 | 174 | 182 | 38 | 6 | 5800 | 5.00 |
| FY-SKF-TTLM24E | M120x2 | 120.5 | 179 | 188 | 38 | 6 | 6000 | 5.25 |
| FY-SKF-TTLM25E | M125x2 | 125.5 | 184 | 192 | 38 | 6 | 6200 | 5.35 |
| FY-SKF-TTLM26E | M130x2 | 130.5 | 190 | 198 | 38 | 6 | 6400 | 5.65 |
| FY-SKF-TTLM27E | M135x2 | 135.5 | 195 | 204 | 38 | 6 | 6600 | 5.90 |
| FY-SKF-TTLM28E | M140x2 | 140.5 | 200 | 208 | 38 | 7 | 6800 | 6.00 |
| FY-SKF-TTLM29E | M145x2 | 145.5 | 206 | 214 | 39 | 7 | 7300 | 6.50 |
| FY-SKF-TTLM30E | M150x2 | 150.5 | 211 | 220 | 39 | 7 | 7500 | 6.60 |
| FY-SKF-TTLM31E | M155x3 | 155.5 | 218 | 226 | 39 | 7 | 8100 | 6.95 |
| FY-SKF-TTLM32E | M160x3 | 160.5 | 224 | 232 | 40 | 7 | 8600 | 7.60 |
| FY-SKF-TTLM33E | M165x3 | 165.5 | 229 | 238 | 40 | 7 | 8900 | 7.90 |
| FY-SKF-TTLM34E | M170x3 | 170.5 | 235 | 244 | 41 | 7 | 9400 | 8.40 |
| FY-SKF-TTLM36E | M180x3 | 180.5 | 247 | 256 | 41 | 7 | 10300 | 9.15 |
| FY-SKF-TTLM38E | M190x3 | 191 | 259 | 270 | 42 | 8 | 11500 | 10.5 |
| FY-SKF-TTLM40E | M200x3 | 201 | 271 | 282 | 43 | 8 | 12500 | 11.5 |
| FY-SKF-TTLM41E | Tr205x4 | 207 | 276 | 288 | 43 | 8 | 12800 | 12.0 |
| FY-SKF-TTLM42E | Tr210x4 | 212 | 282 | 294 | 44 | 8 | 13400 | 12.5 |
| FY-SKF-TTLM43E | Tr215x4 | 217 | 287 | 300 | 44 | 8 | 13700 | 13.0 |
| FY-SKF-TTLM44E | Tr220x4 | 222 | 293 | 306 | 44 | 8 | 14400 | 13.5 |
| FY-SKF-TTLM45E | Tr225x4 | 227 | 300 | 312 | 45 | 8 | 15200 | 14.5 |
| FY-SKF-TTLM46E | Tr230x4 | 232 | 305 | 318 | 45 | 8 | 15500 | 14.5 |
| FY-SKF-TTLM47E | Tr235x4 | 237 | 311 | 326 | 46 | 8 | 16200 | 16.0 |
| FY-SKF-TTLM48E | Tr240x4 | 242 | 316 | 330 | 46 | 9 | 16500 | 16.0 |
| FY-SKF-TTLM50E | Tr250x4 | 252 | 329 | 342 | 46 | 9 | 17600 | 17.5 |
| FY-SKF-TTLM52E | Tr260x4 | 262 | 341 | 356 | 47 | 9 | 18800 | 19.0 |
| FY-SKF-TTLM54E | Tr270x4 | 272 | 352 | 368 | 48 | 9 | 19800 | 20.5 |
| FY-SKF-TTLM56E | Tr280x4 | 282 | 363 | 380 | 49 | 9 | 21100 | 22.0 |
| FY-SKF-TTLM58E | Tr290x4 | 292 | 375 | 390 | 49 | 9 | 22400 | 22.5 |
| FY-SKF-TTLM60E | Tr300x4 | 302 | 386 | 404 | 51 | 10 | 23600 | 25.5 |
| FY-SKF-TTLM62E | Tr310x5 | 312 | 397 | 416 | 52 | 10 | 24900 | 27.0 |
| FY-SKF-TTLM64E | Tr320x5 | 322 | 409 | 428 | 53 | 10 | 26300 | 29.5 |
| FY-SKF-TTLM66E | Tr330x5 | 332 | 419 | 438 | 53 | 10 | 27000 | 30.0 |
| FY-SKF-TTLM68E | Tr340x5 | 342 | 430 | 450 | 54 | 10 | 28400 | 31.5 |
| FY-SKF-TTLM69E | Tr345x5 | 347 | 436 | 456 | 54 | 10 | 29400 | 32.5 |
| FY-SKF-TTLM70E | Tr350x5 | 352 | 442 | 464 | 56 | 10 | 29900 | 35.0 |
| FY-SKF-TTLM72E | Tr360x5 | 362 | 455 | 472 | 56 | 10 | 31300 | 35.5 |
| FY-SKF-TTLM73E | Tr365x5 | 367 | 460 | 482 | 57 | 11 | 31700 | 38.5 |
| FY-SKF-TTLM74E | Tr370x5 | 372 | 466 | 486 | 57 | 11 | 32800 | 39.0 |
| FY-SKF-TTLM76E | Tr380x5 | 382 | 476 | 498 | 58 | 11 | 33500 | 40.5 |
| FY-SKF-TTLM77E | Tr385x5 | 387 | 483 | 504 | 58 | 11 | 34700 | 41.0 |
| FY-SKF-TTLM80E | Tr400x5 | 402 | 499 | 522 | 60 | 11 | 36700 | 45.5 |
| FY-SKF-TTLM82E | Tr410x5 | 412 | 510 | 534 | 61 | 11 | 38300 | 48.0 |
| FY-SKF-TTLM84E | Tr420x5 | 422 | 522 | 546 | 61 | 11 | 40000 | 50.0 |
| FY-SKF-TTLM86E | Tr430x5 | 432 | 532 | 556 | 62 | 11 | 40800 | 52.5 |
| FY-SKF-TTLM88E | Tr440x5 | 442 | 543 | 566 | 62 | 12 | 42500 | 54.0 |
| FY-SKF-TTLM90E | Tr450x5 | 452 | 554 | 580 | 64 | 12 | 44100 | 57.5 |
| FY-SKF-TTLM92E | Tr460x5 | 462 | 565 | 590 | 64 | 12 | 45100 | 60.0 |
| FY-SKF-TTLM94E | Tr470x5 | 472 | 576 | 602 | 65 | 12 | 46900 | 62.0 |
| FY-SKF-TTLM96E | Tr480x5 | 482 | 587 | 612 | 65 | 12 | 48600 | 63.0 |
| FY-SKF-TTLM98E | Tr490x5 | 492 | 597 | 624 | 66 | 12 | 49500 | 66.0 |
| FY-SKF-TTLM100E | Tr500x5 | 502 | 609 | 636 | 67 | 12 | 51500 | 70.0 |
以上型号的液压螺母螺纹规格均可根据用户要求设计、制作。
手动加压式黄油液压螺母
手动加压式黄油液压螺母适用于圆盘剪、分条剪的锁紧,可替代日本、德国同类产品。由螺母体、压环、加压柱塞、放油排气丝堵、压环密封圈、加压柱塞O型圈组成。
手动加压式黄油液压螺母操作过程:
1、先将两个加压柱塞松掉,以不脱离螺纹为宜。
2、将液压螺母拧入螺纹轴,压环在待压工件一侧,压环与待压工件之间尽量压紧。(压环完全退回为宜)。
3、分别将两个加压柱塞慢慢拧入,待内六方扳手很难拧动时,加压过程结束。
4、需要拆下液压螺母时,先将加压柱塞慢慢松开,这时螺母与被压工件之间的压力就消除了,便可顺利拧下螺母了。
注意:如果液压螺母油腔内缺少黄油时,拧入加压柱塞,压环不能被推出,液压螺母将无法使用。补充黄油的方法:将放油排气丝堵及钢球拆下,用尖嘴黄油枪顶住排气孔加油,当压环被推出2—3毫米时停止加油。再将钢球及丝堵拧牢,加油完毕。
手动加压式黄油液压螺母注意事项:
- 压环与工件之间必须是平面接触,否则高压下压环将被损坏;
- 注入的黄油一定要干净,不能有杂质;
- 压环的最大行程为2毫米,超出后,压环将脱落。
螺栓予拉伸用液压螺母
适用螺栓范围:M30~M120(牙型可根据用户要求设计制作)。液压螺母分为自锁型和普通型。
螺栓予拉伸用液压螺母特点:
- 自锁型为螺栓拉紧后不再拆卸,靠液压螺母本身的良好密封性保持螺栓的拉紧力;
- 普通型为当螺栓拉紧后,再拧入一只普通螺母,这时可将液压螺母拆下。一个液压螺母可完成若干个螺栓的予紧;
- 可配手动泵、电动泵站多个螺母同时适用。
轧辊锁紧用液压螺母
本公司生产的液压螺母是根据多年来的实际生产经验,参照国外产品的相关技术并结合一些使用厂家的要求开发、研制生产的系列产品。该产品适用于需经常拆装的轧辊锁紧;超大螺栓的予紧等场合,也可用做液压过盈连接拆装工具。
轧辊锁紧用液压螺母技术参数:

| 型号(M) | D | d1 | H | 压环 | 注油压力 | 压环压力 | |
| 行程L | 面积 | ||||||
| 毫米 | 平方厘米 | Mpa | KN | ||||
| FY-TTYM-GM120x3 FY-TTYM-GM120x6 |
220 | 180 | 60 | 5 | 77 | 50 | 346 |
| FY-TTYM-GM130x3 FY-TTYM-GM130x6 |
230 | 190 | 60 | 5 | 82 | 50 | 369 |
| FY-TTYM-GM140x3 FY-TTYM-GM140x6 |
240 | 200 | 60 | 5 | 87 | 50 | 391 |
| FY-TTYM-GM150x3 FY-TTYM-GM150x6 |
270 | 220 | 70 | 5 | 125 | 50 | 562 |
| FY-TTYM-GM160x3 FY-TTYM-GM160x6 |
280 | 230 | 70 | 8 | 132 | 50 | 594 |
| FY-TTYM-GM170x3 FY-TTYM-GM170x6 |
290 | 240 | 70 | 8 | 138 | 50 | 621 |
| FY-TTYM-GM180x3 FY-TTYM-GM180x6 |
300 | 250 | 70 | 8 | 145 | 50 | 652 |
| FY-TTYM-GM190x3 FY-TTYM-GM190x6 |
310 | 260 | 70 | 8 | 150 | 50 | 675 |
| FY-TTYM-GM200x3 FY-TTYM-GM200x6 |
320 | 270 | 70 | 8 | 157 | 50 | 706 |
| FY-TTYM-GM210x3 FY-TTYM-GM210x6 |
330 | 280 | 70 | 8 | 163 | 50 | 734 |
| FY-TTYM-GM220x3 FY-TTYM-GM220x6 |
340 | 290 | 70 | 8 | 169 | 50 | 760 |
| FY-TTYM-GM240x6 | 370 | 320 | 80 | 8 | 188 | 50 | 912 |
| TTYM-GTr260x6 | 400 | 350 | 80 | 8 | 207 | 50 | 1000 |
| TTYM-GTr280x6 | 420 | 370 | 80 | 8 | 270 | 50 | 1350 |
| TTYM-GTr300x6 | 450 | 400 | 90 | 10 | 348 | 50 | 1742 |
| TTYM-GTr320x6 | 470 | 420 | 90 | 10 | 367 | 50 | 1836 |
| TTYM-GTr340x6 | 490 | 440 | 100 | 12 | 386 | 50 | 1931 |
| TTYM-GTr360x6 | 510 | 460 | 100 | 12 | 405 | 50 | 2025 |
| TTYM-GTr380x6 | 530 | 480 | 100 | 12 | 423 | 50 | 2119 |
| TTYM-GTr390x6 | 540 | 490 | 100 | 12 | 433 | 50 | 2160 |
| TTYM-GTr400x6 | 550 | 500 | 100 | 12 | 442 | 50 | 2213 |
| TTYM-GTr410x6 | 560 | 510 | 100 | 12 | 452 | 50 | 2260 |
TC系列液压螺母
TC系列液压螺母特点:
- 简单、快捷、精确;
- 常用工作压力1500bar或2200bar;
- 如有特殊需求可定制;
- 带有行程指示器;
- 按实际需要可侧面或顶端连接。
| 顶环液压螺母▽ | |
![]() |
![]() |
| 底环液压螺母▽ | |
![]() |
![]() |
TC系列液压螺母技术参数:

| 型号 | 公称直径 | 外径 | 总高 | 主体 高度 |
环部 高度 |
行程 mm |
作用 面积 cm² |
最大拉伸力 | 重量 kg |
|||
| A | B | H | C | P | 1500BAR | 2200BAR | ||||||
| 顶环液压螺母 | 底环液压螺母 | mm | inch | mm | mm | mm | mm | KN | ||||
| TC01 | BC01 | 33 | 1"1/4 | 74 | 51 | 36 | 15 | 6 | 14.41 | 216.19 | 317.08 | 0.9 |
| TC02 | BC02 | 36 | 1"3/8 | 80 | 59 | 43 | 16 | 4 | 16.56 | 248.33 | 364.22 | 1.2 |
| TC03 | BC03 | 39 | 1"1/2 | 87 | 63 | 45 | 18 | 4 | 19.95 | 299.2 | 438.83 | 1.5 |
| TC04 | BC04 | 42 | 1"5/8 | 94 | 69 | 50 | 19 | 6 | 22.45 | 336.77 | 493.93 | 1.9 |
| TC05 | BC05 | 45 | 1"3/4 | 101 | 76 | 55 | 21 | 6 | 27.28 | 409.18 | 600.13 | 2.4 |
| TC06 | BC06 | 48 | 1"7/8 | 107 | 77 | 55 | 22 | 8 | 30.21 | 453.1 | 664.55 | 2.8 |
| TC07 | BC07 | 52 | 2" | 117 | 84 | 60 | 24 | 8 | 36.65 | 549.77 | 806.34 | 3.6 |
| TC08 | BC08 | 56 | 2"1/4 | 128 | 88 | 62 | 26 | 8 | 43.71 | 655.63 | 961.59 | 4.9 |
| TC09 | BC09 | 60 | 135 | 93 | 65 | 28 | 10 | 48.44 | 726.64 | 1065.73 | 5.6 | |
| TC10 | BC10 | 64 | 2"1/2 | 144 | 99 | 70 | 29 | 10 | 54.68 | 820.13 | 1202.86 | 6.7 |
| TC11 | BC11 | 68 | 2"3/4 | 157 | 105 | 72 | 33 | 10 | 67.2 | 1007.94 | 1478.31 | 8.8 |
| TC12 | BC12 | 72 | 163 | 109 | 76 | 33 | 10 | 70.34 | 1055.04 | 1547.39 | 9.7 | |
| TC13 | BC13 | 76 | 3" | 173 | 117 | 81 | 36 | 12 | 80 | 1199.99 | 1759.99 | 11.7 |
| TC14 | BC14 | 80 | 3"1/4 | 187 | 124 | 85 | 39 | 12 | 97.32 | 1459.75 | 2140.96 | 14.9 |
| TC15 | BC15 | 85 | 195 | 130 | 90 | 40 | 12 | 101.93 | 1528.98 | 2242.51 | 16.4 | |
| TC16 | BC16 | 90 | 3"1/2 | 207 | 140 | 97 | 43 | 12 | 115.11 | 1726.69 | 2532.47 | 19.6 |
| TC17 | BC17 | 95 | 3"3/4 | 219 | 148 | 102 | 46 | 12 | 131 | 1965.01 | 2882.02 | 23.4 |
| TC18 | BC18 | 100 | 4" | 234 | 154 | 105 | 49 | 15 | 148.84 | 2232.54 | 3274.39 | 28.5 |
| TC19 | BC19 | 105 | 243 | 149 | 108 | 51 | 15 | 160.61 | 2409.17 | 3533.44 | 31.5 | |
| TC20 | BC20 | 110 | 255 | 166 | 113 | 53 | 15 | 179.26 | 2688.94 | 3943.78 | 36.3 | |
| TC21 | BC21 | 115 | 4"1/2 | 267 | 176 | 120 | 56 | 15 | 193.24 | 2898.53 | 4251.18 | 41.6 |
| TC22 | BC22 | 120 | 279 | 183 | 125 | 58 | 15 | 213.65 | 3204.68 | 4700.2 | 47.4 | |
| TC23 | BC23 | 125 | 5" | 295 | 192 | 130 | 62 | 15 | 242.47 | 3637.06 | 5334.36 | 56.4 |
| TC24 | BC24 | 130 | 303 | 198 | 135 | 63 | 15 | 251.04 | 3765.65 | 5522.95 | 60.5 | |
| TC25 | BC25 | 140 | 5"1/2 | 328 | 214 | 145 | 69 | 15 | 292.45 | 4371.82 | 6412.01 | 76.5 |
| TC26 | BC26 | 150 | 6" | 356 | 231 | 155 | 76 | 18 | 351.24 | 5268.61 | 7727.29 | 98.9 |
| TC27 | BC27 | 160 | 376 | 244 | 165 | 79 | 18 | 389.27 | 5838.99 | 8563.85 | 114.8 | |
| TC28 | BC28 | 170 | 6"1/2 | 400 | 259 | 175 | 84 | 18 | 439.22 | 6588.35 | 9662.91 | 138.1 |
| TC29 | BC29 | 180 | 7"1/2 | 424 | 274 | 185 | 89 | 18 | 497.54 | 7463.11 | 10945.9 | 164.2 |
| TC30 | BC30 | 190 | 7"1/2 | 449 | 290 | 195 | 95 | 20 | 557.63 | 8364.49 | 12267.92 | 195.6 |
| TC31 | BC31 | 200 | 8" | 479 | 307 | 205 | 102 | 20 | 641.06 | 9615.94 | 14103.37 | 238.9 |
垫片式液压螺母
垫片式液压螺母特点:
- 简单、快捷、精确;
- 常用工作压力1500bar或2200bar;
- 如有特殊需求可定制;
- 带有行程指示器;
- 按实际需要可侧面或顶端连接。
垫片式液压螺母技术参数:

| 型号 | 工程直径 | 外径 | 主体高度 | 垫片 高度 |
行程 mm |
作用 面积 cm² |
最大拉伸力 | 重量 kg |
||
| A | B | C | P | 1500BAR | 2200BAR | |||||
| mm | inch | mm | mm | mm | kN | |||||
| SH01 | 33 | 1"1/4 | 74 | 35 | 6 | 6 | 14.41 | 216.19 | 317.08 | 0.9 |
| SH02 | 36 | 1"3/8 | 80 | 38 | 4 | 6 | 16.58 | 248.33 | 364.22 | 1.2 |
| SH03 | 39 | 1"1/2 | 87 | 41 | 4 | 6 | 19.95 | 299.2 | 438.83 | 1.5 |
| SH04 | 42 | 1"5/8 | 94 | 44 | 6 | 8 | 22.45 | 336.77 | 493.92 | 1.9 |
| SH05 | 45 | 1"3"4 | 101 | 47 | 6 | 8 | 27.28 | 409.18 | 600.13 | 2.4 |
| SH06 | 48 | 1"7/8 | 107 | 50 | 8 | 8 | 30.21 | 453.1 | 664.55 | 2.8 |
| SH07 | 52 | 2" | 117 | 54 | 8 | 8 | 36.65 | 549.77 | 806.34 | 3.6 |
| SH08 | 56 | 128 | 60 | 8 | 10 | 43..71 | 655.63 | 961.59 | 4.9 | |
| SH09 | 60 | 2"1/2 | 135 | 62 | 10 | 10 | 48.44 | 726.64 | 1065.73 | 5.6 |
| SH10 | 64 | 2"3/4 | 144 | 68 | 10 | 10 | 54.68 | 820.13 | 1230.86 | 6.7 |
| SH11 | 68 | 157 | 72 | 10 | 10 | 67.2 | 1007.94 | 1478.31 | 8.8 | |
| SH12 | 72 | 3" | 163 | 74 | 10 | 10 | 70.34 | 1055.04 | 1547.39 | 9.7 |
| SH13 | 76 | 3"1/4 | 173 | 79 | 12 | 12 | 80 | 1199.99 | 1759.99 | 11.7 |
| SH14 | 80 | 187 | 85 | 12 | 12 | 97.32 | 1459.75 | 2140.96 | 14.9 | |
| SH15 | 85 | 195 | 87 | 12 | 12 | 101.93 | 1528.98 | 2242.51 | 16.4 | |
| SH16 | 90 | 3"1/2 | 207 | 92 | 12 | 12 | 115.11 | 1726.69 | 2532.47 | 19.6 |
| SH17 | 95 | 3"3/4 | 219 | 98 | 12 | 12 | 131 | 1965.01 | 2882.02 | 23.4 |
| SH18 | 100 | 4" | 234 | 104 | 15 | 15 | 148.84 | 2232.54 | 3274.39 | 28.5 |
| SH19 | 105 | 243 | 107 | 15 | 15 | 160.61 | 2409.17 | 3533.44 | 31.5 | |
| SH20 | 110 | 255 | 112 | 15 | 15 | 179.26 | 2688.94 | 3943.78 | 36.3 | |
| SH21 | 115 | 4"1/2 | 267 | 117 | 15 | 15 | 193.24 | 2898.53 | 4251.18 | 41.6 |
| SH22 | 120 | 279 | 122 | 15 | 15 | 213.65 | 3204.68 | 4700.2 | 47.4 | |
| SH23 | 125 | 5" | 295 | 129 | 15 | 15 | 242.47 | 3637.06 | 5334.36 | 56.4 |
| SH24 | 130 | 303 | 132 | 15 | 15 | 251.04 | 3765.65 | 5522.95 | 60.5 | |
| SH25 | 140 | 5"1/2 | 328 | 142 | 15 | 15 | 291.45 | 4371.82 | 6412.01 | 76.5 |
| SH26 | 150 | 6" | 356 | 155 | 18 | 15 | 351.24 | 5268.61 | 7727.29 | 98.9 |
| SH27 | 160 | 376 | 162 | 18 | 20 | 389.27 | 5838.99 | 8563.85 | 114.8 | |
| SH28 | 170 | 6"1/2 | 400 | 172 | 18 | 20 | 439.22 | 6588.35 | 9662.91 | 138.1 |
| SH29 | 180 | 7" | 424 | 182 | 18 | 20 | 497.54 | 7463.11 | 10945.9 | 164.2 |
| SH30 | 190 | 7"1/2 | 449 | 193 | 20 | 25 | 557.63 | 8364.49 | 12267.92 | 195.6 |
| SH31 | 200 | 8" | 479 | 206 | 20 | 25 | 641.06 | 9615.94 | 14103.37 | 238.9 |




















