PA网址

 

分体式液压千斤顶因其携带方便,坚固耐用,被工业领域广泛使用。根据千斤顶复位方式,可以分为单作用/双作用液压千斤顶。PA网址 秉承质量第一,服务至上的原则,一如既往的为广大新老客户提供高品质分体式千斤顶。

单作用液压千斤顶

单作用液压千斤顶具有广泛的行程长度和举升能力范围,是维修,生产制造,建筑等作业的不错选择。所有的型号都有颈部螺纹,底部设计有安装孔,使得配套安装定位方便。

  • 单作用液压千斤顶

主要参数

承载能力
5~100T
工作行程
16~362mm
本体高度
41~493mm

单作用液压千斤顶特点:

  • 外环螺纹和底部安装孔使得定位方便、安装便捷;
  • 活塞和油缸内壁镀硬铬,防止刮伤和腐蚀;
  • 高温烤漆,表面耐磨耐腐蚀及撞击;
  • 单作用设计,高强度弹簧复位,能加速活塞的回缩;
  • 防尘密封圈可减少污染,延长液压千斤顶使用寿命;
  • 每个单作用千斤顶都有一个标准的3/8"接头和防尘盖。
  • 顶部及柱塞底部均带有合金导向环,可吸收偏载力及延长千斤顶的使用寿命。

单作用液压千斤顶技术参数:

单作用液压千斤顶结构图
型  号 承载 能力 工作 行程B 本体 高度A 油缸 外径D 活塞杆外径 底部安装孔 外环螺纹 活塞 内螺纹 顶帽 直径  mm 工作 压力
距离 螺纹
FY-RC-5T-16 5T 16 41 58 25 28 1/4"-20UN       70MPa
FY-RC-5T-25 5T 25 110 42 25 25 1/4"-20UN 1又1/2"-16 3/4"-16 24 
FY-RC-5T-30 5T 30 95 42 25          
FY-RC-5T-75 5T 75 150 42 25          
FY-RC-5T-76 5T 76 165 48 30 25 1/4"-20 M48×1.5 M16 25 
FY-RC-5T-100 5T 100 195 42 25          
FY-RC-5T-127 5T 127 218 48 30 25 1/4"-20 M48×1.5 M16  
FY-RC-5T-127 5T 127 214 42 25 25 1/4"-20UN M42×1.5 3/4"-16 25 
FY-RC-5T-178 5T 178 273 48 30 25 1/4"-20UN M48×1.5 M16 25
FY-RC-5T-232 5T 232 323 48 30 25 1/4"-20UN M48×1.5 M16 25 
FY-RC-10T-25 10T 25 90 57 37 39 5/16"-18 2又1/4"-14 #10-24UN  
FY-RC-10T-54 10T 54 133 57 37 39 5/16"-18 2又1/4"-14  M24  35
FY-RC-10T-55  10T 55 120 57 37 39 5/16"-18 2又1/4"-14    
FY-RC-10T-83 10T 83 150 57 37 39 5/16"-18 2又1/4"-14    
FY-RC-10T-54 10T 54 121 57 37 39 5/16"-18 2又1/4"-14 1"-8  35
FY-RC-10T-105 10T 105 174 57 37 39 5/16"-18 2又1/4"-14 M24×1.5  35
FY-RC-10T-130 10T 130 252 63 40 40 5/16"-18   M24×1.5 35  50MPa
FY-RC-10T-156 10T 156 247 57 37 39 5/16"-18 2又1/4"-14 M24 35  70MPa
FY-RC-10T-203 10T 203 298 57 37 39 5/16"-18 2又1/4"-14 1"-8  35
FY-RC-10T-258 10T 258 360 63 40 40 5/16"-18   M24 35  50MPa
FY-RC-10T-257 10T 257 349 57 37 39 5/16"-18 2又1/4"-14 1"-8  35 70MPa
FY-RC-10T-304 10T 304 400 57 37 39 5/16"-18 2又1/4"-14 1"-8  35
FY-RC-10T-356 10T 356 450 57 37 39 5/16"-18 2又1/4"-14 1"-8  35
FY-RC-15T-25 15T 25 124 70 46 47 3/8"-16 2又3/4"-16 1"-8 42 
FY-RC-15T-41 15T 41 159 70 45 47 3/8"-16      
FY-RC-15T-60 15T 60 140 70 46 47 3/8"-16  2又3/4"-16    
FY-RC-15T-51 15T 51 149 70 46 47 3/8"-16 2又3/4"-16 1"-8 42 
FY-RC-15T-102 15T 102 221 70 46 47 3/8"-16 2又3/4"-16 1"-8 42 
FY-RC-15T-120 15T 120 231 70 46 47 3/8"-16 2又3/4"-16 1"-8 42 
FY-RC-15T-152 15T 152 271 70 46 47 3/8"-16 2又3/4"-16 1"-8 42 
FY-RC-15T-203 15T 203 322 70 46 47 3/8"-16 2又3/4"-16 1"-8 42 
FY-RC-15T-254 15T 254 373 70 46 47 3/8"-16 2又3/4"-16 1"-8 42 
FY-RC-15T-305 15T 305 423 70 46 47 3/8"-16 2又3/4"-16 1"-8 42 
FY-RC-15T-356 15T 356 474 70 46 47 3/8"-16 2又3/4"-16 1"-8 42 
FY-RC-20T-70 20T 70 150 92 50 39 M6      
FY-RC-20T-100 20T 100 180 92 50 39 M6      
FY-RC-20T-100 20T 100 214 80 54 54 1/2"-13 3又1/8"-16 M24 42 
FY-RC-25T-26 25T 26 140 85 57 58 1/2"-13 3又5/16"-12 1又1/2"-16 50 
FY-RC-25T-51 25T 51 165 85 57 58 1/2"-13 3又5/16"-12 1又1/2"-16 50 
FY-RC-25T-102 25T 102 219 85 57 58 1/2"-13 3又5/16"-12 1又1/2"-16 50 
FY-RC-25T-158 25T 158 275 85 57 58 1/2"-13 3又5/16"-12 1又1/2"-16 50 
FY-RC-25T-210 25T 210 325 85 57 58 1/2"-13 3又5/16"-12 1又1/2"-16 50 
FY-RC-25T-260 25T 260 375 85 57 58 1/2"-13 3又5/16"-12 1又1/2"-16 50 
FY-RC-25T-311 25T 311 427 85 57 58 1/2"-13 3又5/16"-12 1又1/2"-16 50 
FY-RC-25T-360 25T 360 475 82 56 55 M12 M82×2 M36×2 50 
FY-RC-25T-362 25T 362 478 85 57 58 1/2"-13 3又5/16"-12 1又1/2"-16 50 
FY-RC-30T-90 30T 90 200 102 60 70 1/2"-13 4"-12 1又1/2"-16 50 
FY-RC-30T-150 30T 150 300 93 60 60 M12      
FY-RC-30T-210 30T 210 387 102 60 70 1/2"-13 4"-12 1又1/2"-16 50 
FY-RC-50T-51 50T 51 176 127 80 95 1/2"-13 5"-12   71 
FY-RC-50T-101 50T 101 227 127 80 95 1/2"-13 5"-12   71 
FY-RC-50t-159 50T 159 282 127 80 95 1/2"-13 5"-12   65 
FY-RC-50T-337 50T 337 423 127 80 95 1/2"-13 5"-12   65 
FY-RC-55T-105 55T 105 235 135 80 110 M10 M135×3   80 
FY-RC-75T-156 75T 156 285 146 95     5又3/4"-12   71 
FY-RC-75T-334 75T 334 493 146 95     5又3/4"-12   71 
FY-RC-95T-168 95T 168 357 177 105 139 3/4"-10 6又7/8"-12    71 
FY-RC-95T-260 95T 260 449 177 105 139 3/4"-10 6又7/8"-12   71
FY-RC-100T-100 100T 100 184 165 90 76 M8 M165×2    

单作用液压千斤顶应用场合:

单作用液压千斤顶同步顶升更换橡胶支座 单作用液压千斤顶可用于桥梁的顶升、钢结构的支撑、机器的维修以及配套设备中使用。

双作用液压千斤顶

双作用液压千斤顶适用于高吨位的举升作业,高要求精确控制物体升降及维修作业。在隧道管道水平推移安装作业中,它的液压复位设计能迅速而有效的将活塞缩回原来的位置,为推进下一根管子做好准备。

  • 双作用液压千斤顶

主要参数

承载能力
10~520T
工作行程
57~1219mm
本体高度
196~1644mm

双作用液压千斤顶特点:

  • 双作用设计,液压复位;
  • 内置式卸压阀防止突发性的超压;
  • 可互换的硬处理沟槽为标准件配置;
  • 高温烤漆表面耐腐蚀和撞击;
  • 带环槽的鞍座防止负载物滑动;
  • 活塞杆镀硬铬,保证千斤顶的高使用寿命;
  • 装有防尘圈减少污染,延长液压千斤顶使用寿命;
  • 每台双作用千斤顶都有两个标准的3/8"NPT接头和防尘盖。

双作用液压千斤顶技术参数:

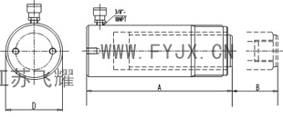
双作用液压千斤顶结构图
型  号 承载
能力
工作
行程B
本体
高度A
油缸
外径D
活塞杆外径F 底部安装孔 外环螺纹 活塞 工作
压力
距离U 螺纹 内螺纹
FY-RR-10T-200  10T 200 355 75 35     2又1/4"-14 1"-8 70MPa
FY-RR-10T-254 10T 254 409 73 35     2又1/4"-14 1"-8
FY-RR-10T-305 10T 305 457 73 35     2又1/4"-14 1"-8
FY-RR-30T-209 30T 209 387 101 55     3又5/16"-12 1又1/2"-16
FY-RR-30T-368 30T 368 550 101 55     3又5/16"-12 1又1/2"-16
FY-RR-50T-156 50T 156 331 130 65     5"-12 1"-12
FY-RR-50T-200 50T 200 350 130 65     5"-12 1"-12
FY-RR-50T-334 50T 334 510 130 75     5"-12 1"-12
FY-RR-50T-511 50T 511 733 127 80 76 1/2"-13 5"-12 1"-12
FY-RR-75T-156 75T 156 347 146 95     5又3/4"-12 1"-12
FY-RR-75T-200 75T 200 391 146 95     5又3/4"-12 1"-12
FY-RR-75T-334 75T 334 525 146 95     5又3/4"-12 1"-12
FY-RR-100T-168 100T 168 358 175 95 140 3/4"-10 6又7/8"-12 1又3/4"-12
FY-RR-100T-334 100T 334 524 175 95 140 3/4"-10 6又7/8"-12 1又3/4"-12
FY-RR-100T-450 100T 450 680 185 95 140 3/4"-10   1又3/4"-12
FY-RR-100T-461 100T 461 687 185 95 140 3/4"-10   1又3/4"-12
FY-RR-150T-57 150T 57 196 203 115        
FY-RR-150T-156 150T 156 385 203 115 160 3/4"-16 8"-12 3又3/8"-16
FY-RR-150T-334 150T 334 582 203 115 160 3/4"-16 8"-12 3又3/8"-16
FY-RR-150T-815 150T 815 1116 203 115       3又3/8"-16
FY-RR-200T-152 200T 152 430 247 130 130 1"-8    
FY-RR-200T-330 200T 330 608 247 130 130 1"-8 9又3/4"-12 2又1/2"-12
FY-RR-200T-350 200T 350 628 247 130 130 1"-8 9又3/4"-12 2又1/2"-12
FY-RR-200T-457 200T 457 765 247 130 130 1"-8 9又3/4"-12 2又1/2"-12
FY-RR-200T-610 200T 610 917 247 130 130 1"-8 9又3/4"-12 2又1/2"-12
FY-RR-200T-914 200T 914 1222 247 130 130 1"-8 9又3/4"-12 2又1/2"-12
FY-RR-200T-1219 200T 1219 1527 247 130 130 1"-8 9又3/4"-12 2又1/2"-12
FY-RR-325T-153 325T 153 485 310 165 180 1又1/4"-7 12又1/4"-12 2又1/2"-12
FY-RR-325T-305 325T 305 640 310 165 180 1又1/4"-7 12又1/4"-12 2又1/2"-12
FY-RR-325T-457 325T 457 790 310 165 180 1又1/4"-7 12又1/4"-12 2又1/2"-12
FY-RR-325T-915 325T 609 943 310 165 180 1又1/4"-7 12又1/4"-12 2又1/2"-12
FY-RR-325T-915 325T 915 1247 310 165 180 1又1/4"-7 12又1/4"-12 2又1/2"-12
FY-RR-325T-1219 325T 1219 1552 310 165 180 1又1/4"-7 12又1/4"-12 2又1/2"-12
FY-RR-440T-152 440T 152 538 358 190 203 1又1/2"-6 14又1/8"-8 3"-12
FY-RR-440T-305 440T 305 690 358 190 203 1又1/2"-6 14又1/8"-8 3"-12
FY-RR-440T-457 440T 457 843 358 190 203 1又1/2"-6 14又1/8"-8 3"-12
FY-RR-440T-610 440T 610 995 358 190 203 1又1/2"-6 14又1/8"-8 3"-12
FY-RR-440T-914 440T 914 1300 358 190 203 1又1/2"-6 14又1/8"-8 3"-12
FY-RR-440T-1219 440T 1219 1605 358 190 203 1又1/2"-6 14又1/8"-8 3"-12
FY-RR-520T-153 520T 153 577 397 200 203 1又3/4"-5 15又5/8"-8 3又1/4"-12
FY-RR-520T-305 520T 305 730 397 200 203 1又3/4"-5 15又5/8"-8 3又1/4"-12
FY-RR-520T-457 520T 457 882 397 200 203 1又3/4"-5 15又5/8"-8 3又1/4"-12
FY-RR-520T-609 520T 609 1035 397 200 203 1又3/4"-5 15又5/8"-8 3又1/4"-12
FY-RR-520T-915 520T 915 1339 397 200 203 1又3/4"-5 15又5/8"-8 3又1/4"-12
FY-RR-520T-1219 520T 1219 1644 397 200 203 1又3/4"-5 15又5/8"-8 3又1/4"-12

双作用液压千斤顶应用场合:

双作用液压千斤顶应用 双作用液压千斤顶可用于大型机械的维修顶升、桥梁的整体顶升、水电厂闸门的维修顶升、钢结构的顶升以及配套设备的安装等场合。