PA网址
通用液压工具
同步顶升系统
同步提升千斤顶
解决方案
PA网址:关于PA网址
定制产品
PA网址:PA网址 新闻
PA网址:联系PA网址
液压千斤顶分类
液压扳手分类
PA网址:液压螺栓拉伸器分类
PA网址:液压拔轮器/拉马分类
液压泵站分类
轴承加热器分类
液压升降平台分类
电力施工机具分类
液压法兰工具分类
PA网址:行业专用液压工具分类
PA网址
>
液压千斤顶分类
>
开缝液压千斤顶
PA网址:液压千斤顶产品快速导航
同步提升千斤顶
薄型液压千斤顶
PA网址:桥梁专用液压千斤顶
自锁千斤顶
大吨位千斤顶
分体式液压千斤顶
空心千斤顶
多级液压千斤顶
铝合金液压千斤顶
爪式液压千斤顶
机械千斤顶
松卡式液压千斤顶
开缝液压千斤顶
连体液压千斤顶
三维调整千斤顶
张拉液压千斤顶
PA网址:PLC控制全自动预应力智能张拉设备
移动式架车机
在轨重物推移机
液压顶管机
电动液压架车机
工程液压千斤顶
同步顶升系统
开缝液压千斤顶
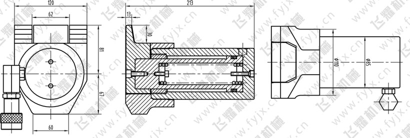
开缝液压千斤顶用于桥梁梁体连接处的横向顶推。标准产品为20T行程100mm,工作压力70Mpa。
主要参数
承载能力
20
T
工作行程
100
mm
开缝液压千斤顶效果图:
更多相关液压工具
如需在狭小空间内使用,请选择薄型液压千斤顶
如需更大的承载能力请选择大吨位液压千斤顶
如需油压控制回缩,请选择双作用液压千斤顶
如需活塞中间可以穿孔,请选择空心液压千斤顶
Copyright @ 2009-2014 [
PA网址:haiyiren.com
] 江苏PA网址 机械制造有限公司 All rights reserved.
PA网址:关于PA网址
通用液压工具
同步顶升系统
非标产品
液压工具应用
PA网址:PA网址 新闻
定制产品
PA网址:联系PA网址
网站地图