便携式PLC桥梁多点同步顶升系统——高压
江苏PA网址 机械制造有限公司借鉴了国际同类产品的技术,融入了公司多年在液压领域的经验积累,成功开发了计算机控制泵组多点桥梁位移同步顶升系统。由于公司早前的液压产品在公路、桥梁使用中的经验,我们得到的结论是该产品非常适合我国公路桥梁的养护需求,填补了国内同类产品的空白。
系统的工作基础
计算机控制桥梁整体多点位移同步顶升系统是为了解决桥梁上部结构在顶升、降落过程中难以进行同步位移操作的难题,将先进的数字监控传输、液压传动控制、计算机数字信号处理技术进行整合,将机械设备系统与传统的桥梁结构分析和养护技术相结合,而研究开发出的一套对既有交通运营影响少、并能够有效解决桥梁上部结构在顶升、降落过程中同步位移难题的高科技专用设备。该设备有效地避免了桥梁上部结构在顶升、降落过程中由于各支点竖向位移差的存在,引起的桥梁上部结构在桥梁纵、横方向附加二次内力的出现,有效地消除了桥梁上部结构实际内力的变化,保证了桥梁上部结构的结构安全。
在计算机控制桥梁位移同步顶升系统中,系统对计算机采集到的位移传感信号进行判别处理,通过专门编写的计算机处理程序控制桥梁顶升的过程和步骤。然后利用双向截止阀来控制流量,依靠调节双向截止阀的开关频率,来改变流量,达到使油泵的输出的流量可调的目的,配以适当的电控和检测反馈系统,组成压力和位移闭环控制,就可以精确控制各千斤顶在升降时同步和称重过程中负载均衡。
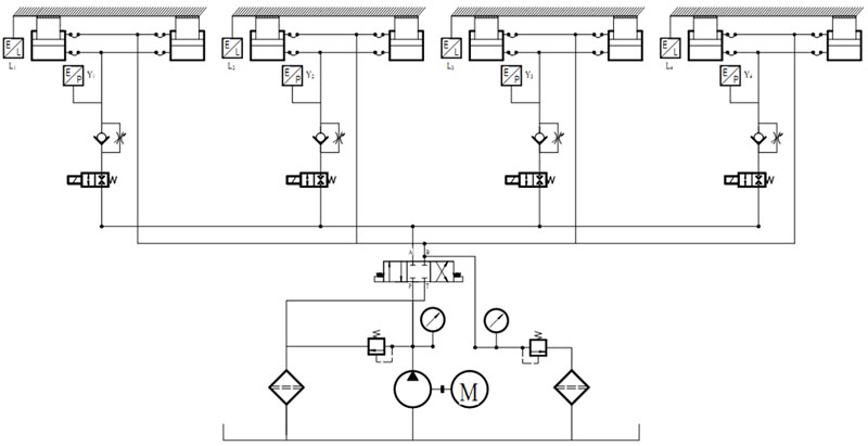
根据系统功能要求,液压系统控制阀组由电磁换向阀、溢流阀、电磁双向截止阀,可调精密节流阀和单向阀等组成。使用高压油泵提供压力,通过高压油管顶升阀组与油泵相连,终端使用千斤顶作为液压作业单元完成系统的顶升作业。位移信号采集设备使用拉线式位移传感器,以便于现场安装。系统能够进行简单的连接具有无限的扩展能力。
系统控制的构成情况
计算机控制桥梁整体顶升系统包括一台中央控制系统,一台高压油泵和若干台阀组。标准配置下,一台中央控制系统可以同时控制二台阀组,控制8路通道。多台泵组通过PROFIBUS-DP现场总线进行扩充,并最终由单台电脑提供人机界面,对所有的顶升点进行监视与控制。电子控制系统是实现同步动作的关键。它是基于闭环控制系统理论,将重物移动的位移信号作为受控参数,重物在液压千斤顶受力腔内产生的压强信号作为参考量。通过传感器采集这些信号,将这些信号传输至控制器。控制器接受并处理这些信号。控制器比较运算这些同类信号并和输入的允差值进行比较,当发现某一受控点有超差的可能时,控制器发出信号,让该点的电磁阀关闭,从而限定该点的液压千斤顶上升或下降动作。同样当信号反馈指出该已停止点有滞后现象时,控制器发出信号,让该点的电磁阀打开,让该点的液压千斤顶恢复上升或下降的动作。通过各受控点间的这些经过精确控制的动作,整个同步控制系统达到一种运动中的同步目的。
当某一受控点的误差不能被控制器修复,控制器将发出系统错误警报,并发出信号,让各受控点的停止动作,关闭液压油泵,从而使各受控点的液压千斤顶停止动作。直到该错误被修复,并得到操作者重新工作的指令,系统才恢复工作。
系统的技术特点
- 以位移控制为主,压力参数控制为辅;
- 多点同步位移误差≤±0.5mm;
- 利用拉线式传感器监控位移变化,自动反馈到控制系统进行动作调整。拉线式位移传感器的分辨率:0.004mm,完全满足土木工程高精度度的要求;
- 位移传感器与千斤顶分体安装,避免了顶升作业中由于千斤顶基础的变位导致位移量的误判;
- 在误差超限时自动报警并停止;
- 可以分别对每个作业点的工作压力和位移进行单独设定、操作和监控;
- 可以支持单作用千斤顶或双作用千斤顶;
- 每套控制系统可以控制8个作用点,并通过PROFIBUS-DP现场总线进行扩展为128、256个乃至无限多;
- 控制系统PROFIBUS-DP现场总线,利用中继器互联,最长可以超过10公里,可以完成长距离大跨度连续梁的多桥墩的同步顶升;
- 在落梁过程中系统可以保持与顶升过程同样的控制精度;
- 采用电控系统和液压系统分体式结构,现场安装和搬运方便。
系统的适用范围
- 大跨径、多桥孔连续箱梁桥大吨位桥梁支座的更换。大跨径连续箱梁及其他类型桥梁结构由于桥下净空提升所引起的上部结构整体抬升;
- 桥梁上部结构为带有横向联系构造的各类梁式桥的支座更换和维修,以及因桥下净空或桥头接顺需要而进行的桥梁上部结构整体抬升;
- 由于施工工艺需要带来的大型结构物整体竖向落架工作;
- 对大型现浇混凝土结构的浇筑支撑结构进行基础沉降竖向位移补偿;
- 其他需要精确同步位移作业的适用场合。
PLC多点同步顶升液压系统——主要技术参数:
工作压力:70MPa
泵站工作电压:380V/50Hz
主控箱电源工作电压:220V/50Hz
单泵额定功率:0.75KW、2.2KW、5.5KW
拉线式位移传感器:输入DC24V 量程0-500mm 分辨率:0.004mm
压力传感器:输入DC24V 输出4-20mA 量程-70MPa
同步控制精度:≤±0.5mm
系统组成
![]() |
![]() |
![]() |
| 液压泵站:为顶升提供动力的单元,一台泵站可以带二套阀组。 | 控制阀组:由电磁双向截止阀,可调精密节流阀,单向阀,快速接头,压力传感器等组成。为千斤顶的同步控制的液压原件。 | 中央控制系统:由触摸屏,西门子PLC,按钮开关,航空插头等组成。标准配置下,一台中央控制系统可以同时控制二套阀组,控制8路通道。 |
![]() |
![]() |
|
| 数据线:阀组上的压力传感器,电磁阀,位移传感器等信号通过该线传输到中央控制器里。一组阀组配一根数据线通用长度为30米。 | 泵站控制线:泵站上的电磁换向阀,电机启停控制通过该线连接到中央控制器。一台泵站配一根控制线通用长度为30米。 |
便携式PLC桥梁多点同步顶升系统——低压
本系统利用液压驱动、压力和位移闭环自动控制的方式,实现多点控制,广泛应用于高速公路桥梁维修更换橡胶支座及立交桥抬高、内河桥抬高、设备顶升、纠偏等。
系统组成及主要原理
本系统是由1台高压泵站、控制阀组、液压油缸、位移检测装置、压力检测装置和1套电器控制系统组成。
本系统中液压泵站利用开关阀来控制流量,依靠调节开关阀的开关频率来改变流量,达到使油泵的输出流量连续可调的目的,配以适当的电控装置,组成压力和位移闭环控制,就可以精确控制各千斤顶在升降时同步和称重过程中的负载均衡。
由于工件底面不一定平整,为了保证多顶负荷一致,在同步顶升之前,首先要让多顶均匀接触工件,并以多顶均匀接触工件的这一点作为多点同步运行的基准,为此,系统中设置一个贴合功能。设置贴合压力,当系统压力达到贴合压力值时,系统工作自动停止。
结构简述
本系统中的液压泵站采用柱塞泵,泵站上安装有双向截止阀,同时双向截止阀可以无泄漏的锁住千斤顶,在意外停电时能保证千斤顶不会自由滑落,使得千斤顶所承受负载不会处于失控状态。系统中还安装有压力变送器和位移传感器,当千斤顶移动时,压力检测装置就可以实时监控负载重量;同时位移检测装置可以测定千斤顶的实时顶升高度。
本电气控制系统的特点是控制器主要由西门子PLC组成,各千斤顶的压力传感器和位移传感器将各自信号送至PLC中进行监控,根据主控台发来的操作指令,驱动阀组,输出压力油使相应的千斤顶运动。PLC根据检测到的压力值和位移值,不断修正位移误差,保持各顶负载同步均衡。
技术参数:
位移同步精度≤±0.5mm
工作电压:AC380V/50Hz(三相五线制)
系统最高压力:350bar
操作方式:按钮操作及触摸屏操作
控制模式:脉宽调制控制
操作界面:人机界面
控制点位:单机4点同步
支持网络通讯点位扩展

液压原理图












